Fingertech
FingerTech Mini Power Switch
FingerTech Mini Power Switch
Couldn't load pickup availability
Has your robot been lacking a high-current power switch? Tired of plugging and unplugging the battery during an intense competition?
This Mini Switch can be activated with the simple twist of an allen key.
Installation:
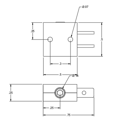
Two mounting holes, spaced 7.62mm (0.3in) apart, can pass-through 2mm or 2-56 screws, or can be tapped for 3mm or 4-40 screw threads.
Tip: Connect the battery to the terminal closest to the screw head. The screw head is part of the circuit (constant connection to the far terminal), so this will ensure it is not live when the robot is off.
Allowable soldering temperatures:
350C : continuous
400C : 1min
450C : 12s
480C : 8s
Operation:
To connect the two copper terminals, use a 3/32" hex wrench to tighten the screw (clockwise).
* It does not take a lot of force to make a good connection - just finger-tight.
(The nylon is undersized to keep the screw from backing out due to vibrations.)
One full rotation counterclockwise disconnects power.
Current Ratings (using 16-gauge wire):
Rated Current: 40A
Burst: 100A for 10 seconds
*Keep in mind that the size of the wire and type of wire insulation is the main limiting factor. More heat is generated in smaller wires and in poor connections. We have tested the switch with 10ga wire and were able to run 95A for 3 minutes.
Share




Collapsible content
Specs
Material: High-temperature nylon, copper terminals, aluminum screw
Dimensions: 12.7 x 12.7 x 6.35mm (0.5 x 0.5 x 0.25in)
Copper terminals: 3.5mm x 1mm (0.138 x 0.04in) extend 6.35mm (0.25in) from switch body
Weight: 2.15grams (0.076oz)
Documents | CAD Models
Browse By
-
Antweight Items
These are items that's we would recommend for ant weight robots.
-
Beetleweight Items
These are items that's we would recommend for beetle weight robots.